招聘
留言
EN
全线产品
大客户业务
办事处业务
客户服务
关于永盈会
新闻中心
加入永盈会
招标信息
大赛专栏
首页
>
全线产品
>
铝合金门窗五金系列
>
门锁系列
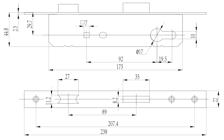
DS92220930
了解更多
产品详情
产品咨询
更多资料详情请提交您的联系方式!
稍后我司销售人员将主动与您联系,提供完整产品资料。
姓名:
电话:
邮箱:
sitemap
、
地图